泰和安技術資料
聯系我們
- 聯系人:郭經理
- 傳真:010-69552656
- 電話:400-0346-119
- 電話:010-57113119
- 郵箱:506665119@qq.com
- 地址:北京通州區新華北路117號
泰和安TX3502總線操作盤
時間:2019-11-20 16:28:12 品牌: 泰和安
![[!--oldtitle--]](/d/file/baojingshebei/2019-11-20/small9203e597b0fd610349be686ee551db8a.jpg)
一、TX3502總線操作盤產品概述
TX3502(64點)總線操作盤實際是TX3016、TX3032火災報警控制器上聯動單元的擴展,以下簡稱操作盤。TX3502操作盤通過RS485通訊接口與TX3016、TX3032系列火災報警控制器配接,用該操作盤上的啟動按鍵對聯動設備進行手動控制。
二、TX3502總線操作盤產品特點
●內置微處理器,處理速度快;
●RS485通訊方式,地址由主機設定;
●外觀簡潔,操作簡單,使用方便。
三、TX3502總線操作盤基本參數
| 型號 | TX3502 |
| 容量 | 64 個聯動點 |
| 工作電壓 | DC24V±10% |
| 工作電流 | 監視電流≤50mA,全啟動反饋電流≤200mA |
| 工作環境 | 溫度0℃~40℃,相對濕度≤95%RH |
| 線制 | 與控制器采用RS485 連接;與DC24V 電源線采用有極性二線連接 |
| 外形尺寸 | 483.0mm×89.0mm (2U) |
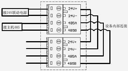
四、TX3502總線操作盤布線要求
1、RS485線采用RVS雙絞線,截面積≥1.0mm2;
2、電源線采用截面積≥1.5mm2的阻燃線;
3、導線應有顏色標識,以防接錯。
4、接線示意圖如圖所示:

TX3502總線操作盤接線示意圖








